






一、引言
干混砂浆是根据不同用途,由多种物料、按不同配方和相应的工艺方法进行生产的。其中,按工艺要求和各种物料的配方比例,进行准确地配料,是保证产品质量和生产线正常运行的技术关键。因此采用自动配料系统可保证配料的精度,从而确保产品的品质。
二、工艺流程
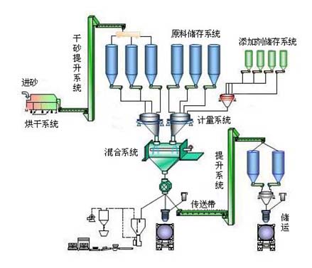
干粉砂浆是将水泥、砂、石膏、添加剂等在干燥状态下按一定比例混和包装的砂浆,材料的混合和计量是生产工艺中的关键环节,一个典型的干粉砂浆生产流程如下图所示:

三、系统方案设计
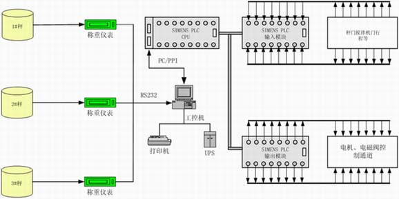
干粉砂浆生产线控制系统采用PLC控制模式, 设计成面向全厂总生产过程的全厂计算机监控系统, 实现生产过程监控管理一体化, 使全厂不仅在生产上具有先进的过程控制自动化, 更在管理上(ERP)具有现代化水平。而且对提高产量、稳定质量、降低能耗等具有重要意义。采用性能可靠的研华工控机、西门子S7300型PLC、软件采用人性化设计、图文并茂、全动态模拟生产界面、全中文显示、现场工况一目了然、对整个生产流程从物料输送、计量、卸料、搅拌、出料、进行全自动控制和监控及管理。其控制方式如下:
1)自动控制配料螺旋输送机的启停配料
2)配料秤加料器阀门的启停
3)混合机启动停止,混合时间的控制,混合机排料控制
4)配方的输入和更改
5)各种与配料混合有关的工艺参数设备
6)电脑控制产品的定量包装
系统框图如下所示:

跃凡配料系统特点:
(1)中心控制与现场控制相结合,中心控制主要采用工业控制计算机控制和操作台上流程手动控制,现场控制根据现场设备配置手动操作,两者相互独立又有自锁。
(2)多台配料秤由不同量程、不同结构的秤体组成,可适宜于粉料、液体等原料配料,变频器控制加料器,使计量动态精度大幅度提高
(3)采用研华工业控制计算机和西门子 PLC,能够在复杂的生产环境下保证设备稳定运行,减少系统故障。
(4)整个控制流程受权开放式设置控制,灵活方便,满足客户需求。
(5)操作台人性化设计,使操作员不易疲劳,提高生产效率, 同时配备模拟流程屏,高雅大方、一目了然、操作简便、经久耐用。
(6)完善的报表统计、强大的实时数据和历史数据查询,及时准确地反映生产情况,供管理人员随时了解生产情况,进行决策分析。
(7)系统具有历史自动跟踪记录,记录相关修改过的操作内容,方便管理员跟踪和维护。
(8)手动配料,电脑自动记录手动各种物料消耗。完善手动配料物料的消耗统计。
(9)可以实现原料转仓选择,当生产某个料仓无料时,可以选择转用同种料的其它料仓,确保生产正常运作。
(10)电脑实时提示和显示各种设备运行故障信息提示。
(11)可根据生产需要,选择自动补偿或不补偿功能和落差自动修正处理功能,满足实际生产需求。
(12)系统也可通过模拟屏进行整个生产控制流程。
(13)系统也对物料仓储存量管理,显示各料仓原料的状况,并及时报警。
(14)全厂视频实时监控功能。
与ERP系统的集成
控制系统上位机软件采用SQL 数据库设计,具备联网功能。通过与磅房计算机,生产计算机,发料计算机的数据交互,同时发送到服务器汇总处理,服务器上位机软件即可称为企业ERP生产销售管理系统。企业生产调度室,销售部,以及其他相关职能部门都能通过网络访问服务器上的数据。系统具有如下特点。
(1)能有效掌握精确的信息:系统对该客户的不同部门、不同人员进行了不同权限的分配,使各项敏感数据(比如销售合同、出货数据等)得到后台人员的及时监管和确认,大大提升了企业业务数据的精准性。
(2)能规范的企业流程:系统实现了对该客户的采购、生产、销售、出货、结款等相关流程的整合。所有员工必须在这固定的规则下进行工作,帮助企业规范管理标准。
(3)能提高资金运作:建成的ERP企业管理系统,使各部门间沟通方便快捷,提高了作业速度与效率。同时,每一次的进货和销售,都能及时反映为资金流的变动状况,管理者可随时关注企业的资金流量与流速。
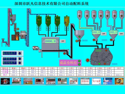
跃凡配料系统现场生产图片:

案例展示
2021-09-30
2020-06-22
2019-12-16
2019-10-08
关注
微
信
公
众
号
7*24全国服务热线:400-996-7595
地址:深圳市光明区公明街道上村大东明大厦8楼808