400-996-7595

13631567091李工


 产品中心   |   PRODUCTS DISPLAY
|
华南前十减水剂江门强力建材自动线施工完毕
    发布时间: 2019-11-13 11:57    
华南前十减水剂江门强力建材自动线施工完毕

        近日,我司与华南混凝土减水剂行业前十的江门市强力建材有限公司,签订并施工完成了投资150万元人民币减水剂复配自动化生产线的控制系统,在我司专业项目工程团队的努力下,江门强力建材的自动化复配生产线现已经全面顺利投产,建成后的生产线满足了强力建材月生产8000吨减水剂的生产需求。

        在该系统中,我司设计方向上一如既往的贴近工人操作习惯,在录入数据库中,保持了原有操作工人配方物料名的选择录入,而不是依照原料罐的录入。在生产过程中,操作员在系统中选择相应生产客户,读取数据库配方即可开始生产,总操作步骤为3步(即选择客户配方、输入需要生产的重量、点击开始生产按钮),被客户简称为自动生产三步曲。

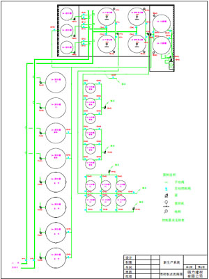
      专业的自动化工厂设计图纸,从管道的布置优化、到电机的选型、再到电气线缆的铺设、最后再到电柜电气线路的全面连接,全程化专业指导,使得客户在整个施工过程中,非常顺利,并从优化的设计中,较原先设计方案足足节省了近10万元的成本投入。


       专业的自动化工厂控制界面,除了常用的报警记录,生产动画效果,设备控制互锁外,我司在操作系统设计中,本着贴近客户的使用简便化,除了原有电柜的手动控制按钮外,另在控制电脑上也增加了手动控制界面按钮,使得在每生产一锅减水剂中,经实验员检查后,仍可以继续手动添加相应物料,达到合格物料的配比。同时界面上还具有针对性的增加了手动物料的配料处理,使得在减水剂生产过程中,手动添加的物料也能录入到控制系统中,并进行相应的使用数据统计。

      专业的自动化工厂报表系统,可查询原材料的年报表、月报表、日报表,甚至可以自由设定查询时间进行生成报表,对财务核算将大幅度减轻劳动强度,除此外,还可以对接强力建材的ERP财务系统,实现自动化系统与财务系统的无缝数据对接,确保数据的及时性与准确性。

 

       现场电柜、控制系统计算机、现场操作培训,见下图:

  

    案例展示 

Case introduction

更多